Carbon: Steel,SS304/316
Thread Size: M6-M56
surface finish: plain,black,galvanized,yellow-plated, H.D.G
Grade: 4、8、10、12、A2、A4
Technical summary

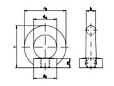
MaBe | M 6 | M8 | M 10 | M 12 | M14 | M16 | M 18 | M 20 | M 22 |
d₂ | 20 | 20 | 25 | 30 | 35 | 35 | 40 | 40 | 50 |
d₃ | 36 | 36 | 45 | 54 | 63 | 63 | 72 | 72 | 90 |
d₄ | 20 | 20 | 25 | 30 | 35 | 35 | 40 | 40 | 50 |
m | 85 | 85 | 10 | 11 | 13 | 13 | 16 | 16 | 20 |
h | 36 | 36 | 45 | 53 | 62 | 62 | 71 | 71 | 90 |
k | 8 | 8 | 10 | 12 | 14 | 14 | 20 | ||
MaBe | M 24 | M 27 | M 30 | M 33 | M 36 | M 42 | M 48 | M 56 | |
d₂ | 50 | 65 | 65 | 75 | 75 | 85 | 100 | 110 | |
D的 | 90 | 108 | 108 | 126 | 126 | 144 | 166 | 184 | |
d₄ | 50 | 60 | 60 | 70 | 70 | 80 | 90 | 100 | |
m | 20 | 25 | 25 | 30 | 30 | 35 | 40 | 45 | |
h | 90 | 109 | 109 | 128 | 128 | 147 | 168 | 187 | |
k | 20 | 24 | 24 | 28 | 28 | 32 | 38 | 42 |
